aryanssolarsolutions.com

Products

Building the Future with Solar Energy

We design, construct, and commission end-to-end solar PV solutions that drive sustainable growth.

SOLAR WATER HEATER CONTROLLER
SWHC ESD 922W

Introduction

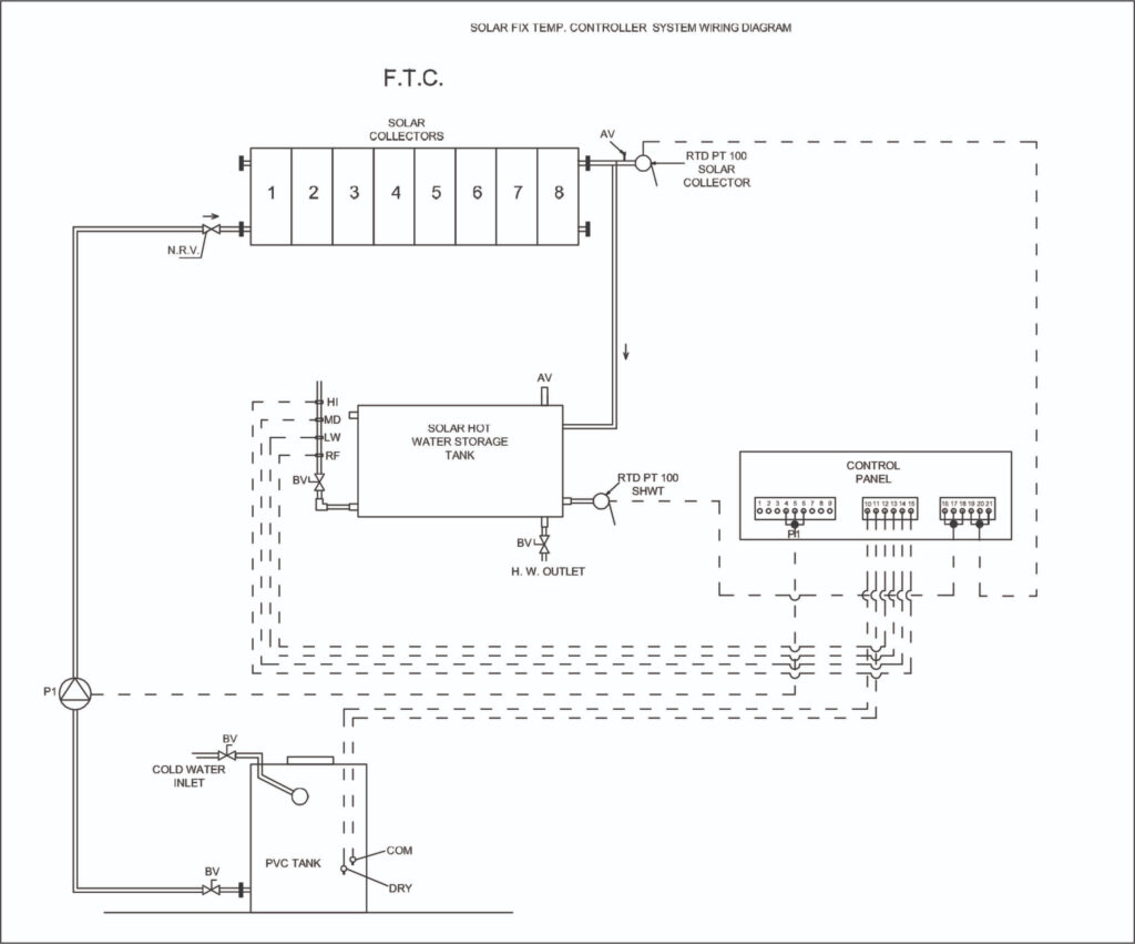
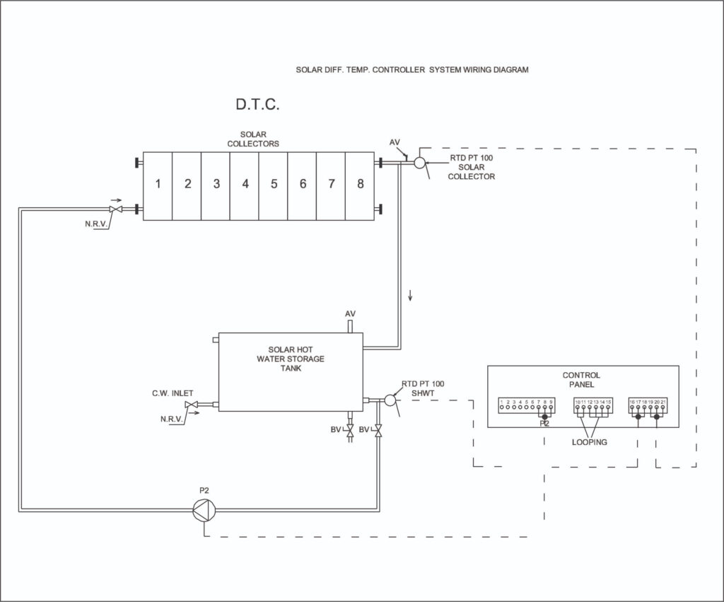
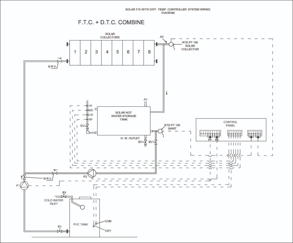
A solar water heating controller is a device used for maintaining the water temperature at a defined temperature using solar heaters. The unit measures the temperature of the water in the solar collector and the solar hot water tank. Depending upon the tank levels, the controller decides when the circulation pumps should be ON and when it should be OFF.
The SWHC ESD 922W is microcontroller based programmable process controller designed for fast and accurate measurement. It has 4 nos. of level inputs and outputs for 2 pumps.

The SWHC ESD 922W can be used in almost any residential buildings, hotels, hospitals, commercial complex and industrials buildings where solar water heater system is necessary.

Specifications

Model
SWHC ESD 922W
Ranges
10 to 99 °C
Input
Pt 100
No. of inputs
Two (1 for solar water tank and 1 for solar collector)
Digital inputs
4 nos. (1 for dry in tank - DRY, 3 nos. for storage tank - LOW, MEDIUM and HIGH)
Indication
2 nos. of 7 segment 12.5 mm RED LED display
Indication accuracy
+/- 0.5 % of full scale +/- 1 digit
Power ON OFF switch
Salzer make 16 Amp. ON OFF switch
Manual pump ON switch
1 nos. of 3 way switch (Centre AUTO)
Power supply
230 V AC, +/- 10 %, 50 Hz with earth
Relative humidity
Less than 90% non condensing
Ambient temperature
5 to 55°C
Accuracy deviation due to
a) Temperature change
+/- 0.002 % /°C, ref at 25°C
b) Supply variation
+/- 0.001 % / V
Sensor break indication
OP
Recalibration (if reqd)
By software using 3 nos. of flat membrane keypad
Programming
3 nos. of flat membrane keypad.
Power consumption
6 VA
Setpoints
2 (1 for solar water tank and 1 for differential)
Control action
ON/OFF
Set point Adjust
Using flat membrane keypad
On / Off differential
Settable 1 to 5 °C
Power ON pump ON delay
Settable 5 to 60 seconds
Relay output
Two set of potential free relay changeover contact rated 7 Amp resistive at 230V AC
No. of relay outputs
Two
Relay ON indication
3 mm RED LED
Sensor break protection
Relay OFF
Termination
Screwed type suitable for 2.5 mm2 wire
Enclosure
ABS plastic
Mounting
Wall mounting
Dimensions
200 x 120 x 80 mm
Cable entry
7 nos. of PG 9
Weight
2 kg approx.

User can change the value by using increment and decrement keys. This value is in the range from 1 to 10. Then press the function key. Now, unit will display the following message.

This indicates that the setpoint is being programmed. This setpoint value is in Deg Celsius “°C”. When the storage tank water temperature is below the setpoint value then pump1 will be OFF and when the storage tank water temperature is above the setpoint value then pump1 will be ON. Press function key. Now unit shows setpoint value.

User can change the value by using increment and decrement keys. This value is in the range from 10 to 90. Then press the function key. Now, unit will display the following message.

This indicates the Differential set value. This is On/Off differential gap between storage tank temperature and solar collector temperature. Press function key. Now unit shows differential set value.

User can change the value by using increment and decrement keys. This value is in the range from 1 to 10. Then press the function key. Now, unit will display the following message.

This indicates the end of program mode.

  1. At power ON, when there is no water in the Cold water tank i.e. when the tank is empty, dry LED will get turn ON. When there is water in the Cold water tank, then unit will turn ON Pump1 and remain ON till water level reaches above low level of the storage tank. When water in the storage tank reaches above low level then Pump1 will turn OFF. Depending on the storage tank water levels, level indicators (Low, Medium, and High LED’s) will turn ON or OFF.
  2. If temperature of storage tank is greater than set point value, then Pump1 will turn ON and remain ON till temperature goes below (set point value – 3 deg C). This will continue till water level reaches HIGH level of solar tank. Now, differential logic will come into picture till the water level in storage tank is above MEDIUM level.
  3. In differential logic, the controller compares the temperature of the storage tank and the solar collector. If temperature of the storage tank is less than the solar collector temp – differential set value, then Pump2 will turn ON. It will start circulating the water from the storage tank to the solar collector. This will continue till storage tank temperature is greater than (solar collector temp – differential set value – 2 deg C).
  4. If level goes below MEDIUM level, then unit Pump 2 will be OFF and Pump 1 will work as per setpoint

In manual mode, user can manually turn ON and OFF the Pump1or Pump2 irrespective of the temperature.

Tank Levels

In SWHC four LED’s are used for four different levels of tank as follows:

Dry:

When there is no water in the Cold water tank i.e. when tank is empty then DRY LED will be ON.

Low:

When water level of the storage tank is above the LOW level, then LOW LED will turn ON.

Medium:

When water level of the storage tank is above MEDIUM level, then and LOW and MEDIUM LED will turn ON.

High:

When water level of the storage tank in tank is above HIGH level, then LOW, MEDIUM and HIGH LED's will turn ON.

Our Other Products

CABLE ROUTE MARKERS

EPDM CLOSED GASKET

ETC system Rings

GI Angle Holder

SS Pipe flange

UNIPRO Composite piping systems

SS Closed Flange

EPDM open gasket

Scroll to Top